展開全部
收起全部
-
技術特性
● 適用于控制力士樂系列和北京華德不帶電氣位移反饋的
雙電磁鐵比例方向閥(4WRA6 , 4WRA10 , 2X系列及以上)
● CPU采用功能強大的32位處理器
● 差分輸入0...±10V , 可轉換成電流輸入
● 4個設定值單路輸入 , 分別帶有設定值調節電位計 , 啟動
時帶LED顯示
● 帶有1個斜坡時間調節電位計 (對T1型) 或5個斜坡時間調節
電位計 (對T5型)
● 帶LED顯示的使能輸入和故障報警功能
● 2個脈寬調制輸出端口
● 帶有6個模擬繼電器 , 用于設定值啟動、斜坡切斷和輔助
電壓反向
● 階躍信號發生器、斜坡信號發生器
● 具有電源錯級保護功能
● 帶DC/DC轉換電源 , 參考電壓±9V的零點與供電電壓零點
同 電位
● 設計為歐板制式100×160mm印刷電路板及導軌安裝 , 操
作面板40×128.4mm
配套支架安裝:
型號KT-PAH-32D或KT-3002-2X/32D , 歐板標準尺寸,
32位D型端子 , 無電源模塊 , 詳見RD13781和RD13782
-
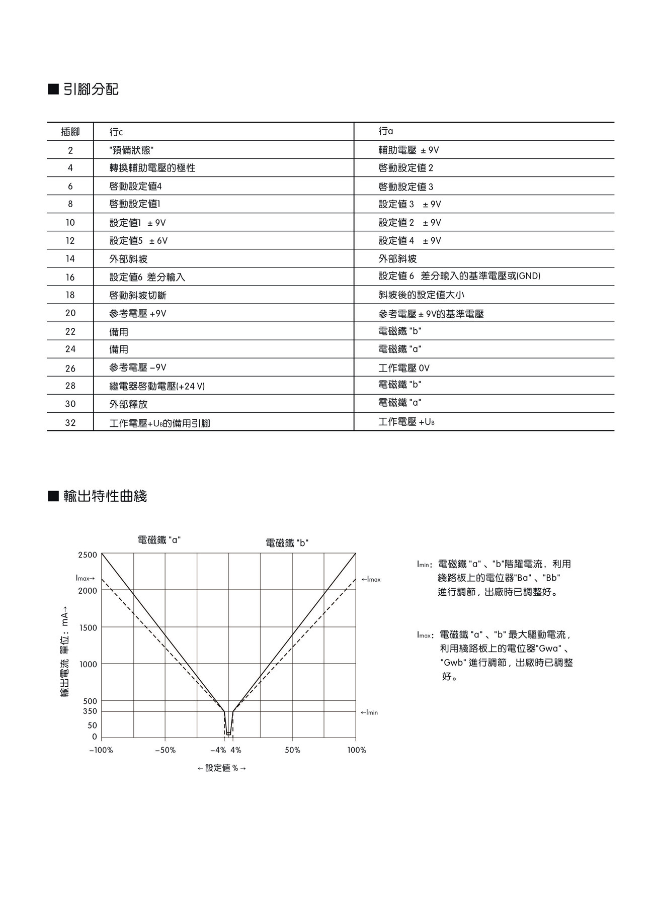
技術曲線
-
技術參數





